Troy Bilt Garden Tractor

Is A Troy Bilt Riding Mower A Good Choice

Is A Troy Bilt Riding Mower A Good Choice

Troy Bilt 46 547cc Riding Lawn Mower 13a879kt066

Troy Bilt 46 547cc Riding Lawn Mower 13a879kt066

Troy Bilt Super Bronco 50 In Riding Mower Review Youtube

Troy Bilt Super Bronco 50 In Riding Mower Review Youtube

Used Troy Bilt Lawn And Garden For Sale Machinery Pete

Used Troy Bilt Lawn And Garden For Sale Machinery Pete

Gardenway By Troy Bilt Garden Way Chipper Exem Info

Gardenway By Troy Bilt Garden Way Chipper Exem Info

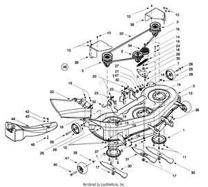
Troy Bilt 14aw809h063 99 Garden Tractor Partswarehouse

Troy Bilt 14aw809h063 99 Garden Tractor Partswarehouse

Troy Bilt Riding Lawn Mowers Auction Results 10 Listings

Troy Bilt Riding Lawn Mowers Auction Results 10 Listings